在工业自动化与智能设备飞速发展的今天,看似微小的电子元件往往是决定设备性能的关键.丹麦格耶Geyer晶振品牌旗下的KX-20型号欧美晶振,便是这样一款支撑起精密科技的核心元件,以其卓越的性能与稳定的品质,成为工业领域不可或缺的“心脏”.
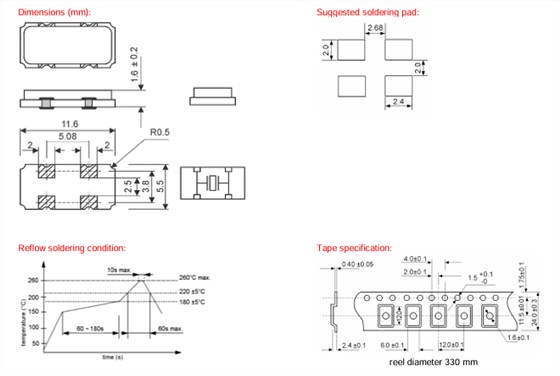
KX-20晶振的价值,首先体现在其精准到毫米的参数设计中.它采用11.6×5.5×1.6毫米的紧凑封装,4焊盘引脚布局既节省电路板空间,又能确保信号传输的稳定性;20MHz的固定频率、20PF的负载电容与20PP的频率偏差,让每一次信号震荡都精准无误.
更值得称道的是其出色的环境适应性,-40℃至+85℃的宽温范围,搭配MSL等级1的湿度防护,即便在工业车间的复杂环境中,也能保持稳定运行.这种对细节的极致追求,正是精密元件的核心价值所在.
从应用场景来看,KX-20晶振更是工业科技的“隐形支柱”.在嵌入式网络设备中,它稳定的频率信号确保数据传输的精准同步;在测试和测量仪器里,其微小的频率偏差为实验数据提供可靠保障.工业生产对设备稳定性的要求极高,一个元件的故障可能导致整条生产线停滞,而KX-20陶瓷晶振以-20℃至+70℃标准温域下的超低误差,以及-40℃至+105℃扩展温域的可靠性能,为工业设备的稳定运行筑起坚实防线.正如丹麦格耶品牌对品质的坚守,KX-20晶振用实力证明,微小元件也能承载起工业科技的大未来.
回望科技发展历程,每一项重大突破都离不开基础元件的进步.GEYERKX-20晶振虽体积小巧,却以精准、稳定、耐用的特性,成为工业应用、智能设备领域的重要支撑.贴片晶振它不仅是丹麦制造工艺的缩影,更彰显了“细节决定成败”的科技真理.在追求高精度、高可靠性的工业时代,KX-20晶振这样的精密元件,必将继续为科技进步注入源源不断的动力.


TXC晶振,贴片晶振,7M晶振
TXC晶振,贴片晶振,7S晶振
TXC晶振,贴片晶振,7A晶振
微晶晶振,32.768K晶振,CM9V-T1A压电石英晶体


